スズキ ジムニー のみんなの質問
1152234270さん
2026.3.11 18:12
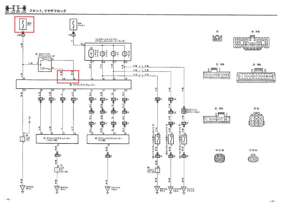
ネットで情報収集をしたところ、配線図ではアースに落ちるとデフロックが作動するとの事でしたので、カプラーの6番、12番よりエレクトロタップで分岐し、ON-OFFスイッチに接続し、もう片方を車体アースへ繋ぎ、作動するか試してみましたが作動せずインジゲーターも点灯しない状況です。
そこで元に戻そうと思い、上記の配線を純正の配線通りに戻してみましたが純正状態で純正swでも作動しなくなりました。
これは完全にecuが壊れてしまったのでしょうか?
#ランドクルーザー
#ランクル
#40.60.70.80
#トヨタ
#HDJ81V
#FZJ 81
#デフロック
#エアロッカー
#電磁ロッカー
#オフロード
#サファリ
#ジムニー
#ラングラー
#ARB
sf_********さん
2026.3.11 20:40
デフロックコンピューターのカプラーの6番、12番はデフロックスイッチからの配線でここをアースに落としてもロックしない。
作業中にヒューズ[30A デフ]が切れただけでは?
質問者からのお礼コメント
2026.3.14 21:14
詳細にご説明いただきありがとうございました。
とても参考になりました。ECU基盤の方も確認してみます。ベストアンサーに選ばせていただきます。
他に回答頂いた皆様も情報提供頂きありがとうございました。
私はスズキのジムニーが好きなのですが、 荷室の狭さ・3ドアという点から買えません。 ジムニーノマドを買ってまでは、 乗りたくありません。 スタイルが好きではないので・・・ そこでお聞きしたいので...
2026.4.16
OIL交換ですが、一日止めた車の場合一旦エンジンを回し温めてから下抜きした方が良いのか? 一晩おいて全部下に降りてるその状態で下抜きした方が良いか? どうでしょう。 ま~目くそ鼻くその世界ですが...
2026.4.17
【JB64ジムニー(5型)購入について】 軽のジムニー(JB64 XC AT)を新車で購入しようと思います。 そこで悩ましいのは、外装色です。 選択肢は2つ。 1.ピュアホワイトパール(白...
2026.4.16
申込み最短3時間後に最大20社から
愛車の査定結果をWebでお知らせ!
申込み最短3時間後に最大20社から
愛車の査定結果をWebでお知らせ!
※ 掲載しているすべての情報について保証をいたしかねます。新車価格は発売時の価格のため、掲載価格と実際の価格が異なる場合があります。詳細は、メーカーまたは取扱販売店にてお問い合わせください。
ジムニーは、「乗り心地が悪い」とか「高速走行が苦行」とかいう評判を色々な所で目にしますが、 実際に日常用途で耐え難いくらいに乗り心地が悪かったり、高速走行が辛かったりするんですか? その割に、若...
2013.3.19
日本の雪道を走るのに最も優れた4WD車は何でしょうか? 滑りやすい路面でトランザクションを稼ぎやすいのは重量級4WD車であるかも知れませんが、減速や下り坂カーブの走行では寧ろ危険なのではないかと...
2011.1.18
違反改造車についてです。今年7月に3インチ、リフトアップしたジムニーを購入しました。その際【車検も24年11月まであるし良いですよ】と言っていました。 先日ある大型中古車店でオイル交換をお願いし...
2011.12.5
ジムニーっていい車ですか?(jb23) 飽きませんか? どんなところがいいですか? 長所 短所を詳しく、ジムニーを持ってる方は感想お願いします。
2011.10.19
軽自動車235万円 ← これ。ここまでして軽自動車買う意味って何? コペンやS660、ジムニーやアルトやら軽自動車でしか得をしない車ならわかるけど それ以外なら普通車でよくね?
2016.2.12
わが子の車購入に関して対立しています・・・・ わが子(20代・娘)が車を買い替えることになりました。 休みのたびに色々車を見てきたようで、「スズキ ジムニー」を買いたいとのこと。 ジムニーといえ...
2010.12.6
軽自動車235万円 ← これ。ここまでして軽自動車買う意味って何? コペンやS660、ジムニーやアルトやら軽自動車でしか得をしない車ならわかるけど それ以外なら普通車でよくね?
2016.2.12
ダイハツを好きで乗っている人っているんでしょうか? いたらすいません、、、 個人的にメーカーや車種に魅力を感じず 価格や装備などで選んでいるように感じます。 要はダイハツだから選んでいるとい...
2024.5.15
なぜホンダだけFRが作れないのですか。 ・・・・・・・・・・・・・・・・・・ 例えばトヨタや日産はFRを作っていますが。 スバルもBRZを作っていますが。 マツダもロードスターを作っていますが。 なぜ
2021.12.13
申込み最短3時間後に最大20社から
愛車の査定結果をWebでお知らせ!
申込み最短3時間後に最大20社から
愛車の査定結果をWebでお知らせ!